- 溫度
- 相對濕度
- 露點溫度
- 絕對濕度
- 比濕
- 混合比
- 比焓
可編程溫濕度傳感器,配備溫度和相對濕度探頭。測量值也
可轉換為其他濕度解釋-露點溫度,絕對濕度,比濕,混合比或
比焓。攝氏溫度和華氏溫度用戶自選。多種款式供選:壁掛式,
風管式和條狀式。還有線纜上帶T+RH探頭的款式。傳感器載
有一個基于控制電路的微處理器,安裝在一個帶連接端子和敏
感元件的耐用的塑料機箱內,敏感元件處于不銹鋼網狀過濾器
中。濕度傳感器有兩個0-10V的輸出。輸出設置和輸出范圍都
是用戶可調的。它的一大優勢是大屏雙行LCD可同時顯示溫度
和相對濕度,或其他濕度解釋,還可以關閉顯示屏,智能化設
計能確保濕度傳感器的溫度補償和故障顯示,采用先進技術的
電容性聚合體的傳感器能確保高校準精度和長期的穩定性,防
水,抗冷凝,適用于非侵蝕性的環境。
應用 - 空氣濕度測量和應用在:
- 建筑 HVAC 管理
- 建筑 HVAC 自動化
- 服務器機房
- 通信設備
- 倉庫
- 溫室
- 生產商
- 博物館,檔案室,圖書館
- 空氣調節室
Comet 傳送器通過了 雷諾 和 PSA (標致 / 雪鐵龍) 等汽車制造商的確定和認可。
| 通用技術參數 |
| 大氣濕度范圍: |
0 to 100% |
| 相對濕度測量精度: |
±2.5% 相對濕度 from 5 to 95% at 23°C |
| 溫度輸出精度: |
±0.4°C from -30 to +100°C
±0.4% from reading over +100°C |
| 溫度單位: |
攝氏溫度和華氏溫度 |
| 露點溫度的精度和測量范圍: |
±1,5°C 環境溫度下 T<25°C and RH>30%
范圍 -60 to +80 °C |
| 絕對濕度的精度和測量范圍: |
±3g/m3 環境溫度下 T < 40°C
范圍 0 to 400 g/m3 |
| 比濕的精度和測量范圍: |
±2g/kg 環境溫度下 T < 35°C
范圍 0 to 550 g/kg |
| 混合比的精度和測量范圍: |
±2g/kg 環境溫度下 T < 35°C
范圍 0 to 995 g/kg |
| 比焓的精度和測量范圍: |
±3kJ/kg 環境溫度下 T < 25°C
范圍: 0 to 995 kJ/kg |
帶電子設備的機箱的
工作溫度范圍: |
-30 to +80°C |
| LCD顯示器的工作溫度: |
可讀到 +70°C, 推薦超過 +70°C時關閉顯示器 |
| 濕度傳感器溫度補償范圍: |
-30 to +125°C |
| 電壓輸出: |
0-10V, 輸出非電隔離 -有公共的接地端 |
| 輸出配置和輸出范圍: |
用戶從計算機自調 |
| 傳感器保護罩過濾能力: |
0.025mm - 不銹鋼過濾網 |
| 帶電子設備的機箱的保護: |
IP65 電子設備, IP40 傳感器 |
| 電源: |
9-30Vdc |
| 質保: |
2年 |
| 濕度傳感器類型: |
T0210
測量值:RH+T
最大溫度測量范圍:-30 to +80°C
長度:75mm
輸出 1**:0 to 100%RH
輸出2**:-30 to +80°C
備注:
室內外均可使用
僅有相對濕度輸出
機械圖
互連終端
使用手冊 |
|
T0213
測量值:RH+T
最大溫度測量范圍:-30 to +125°C*
長度:150mm
輸出 1**:0 to 100%RH
輸出2**:-30 to +125°C
備注:
管式安裝
機械圖
互連終端
使用手冊
|
| |
|
|
T0211
測量值: RH+T
最大溫度測量范圍:-30 to +105°C* 探頭包括線纜
長度:探頭線纜 1,2,4m
輸出 1**:0 to 100%RH
輸出2**:-30 to +105°C
備注:T+RH 探頭,1m長的線纜. 線纜長度 2m或 4m 可選
機械圖
互連終端
使用手冊
|
|
New !
T0211P
測量值: RH+T
最大溫度測量范圍:-30 to +105°C* 探頭包括線纜
長度:探頭線纜 1,2,4m
輸出 1**:0 to 100%RH
輸出2**:-30 to +105°C
備注:T+RH探頭由硬化電鍍鋁合金制造,帶1米線纜。 線纜長度 2m或 4m 可選 。
壓縮空氣達到25巴!
機械圖
互連端子
使用手冊
|
* * 最高溫度僅在帶傳感器的測量末端. 對于帶線纜探頭的傳送器T311對于1也允許的最高溫度是+105°C,當溫度超過+85°C時,相對濕度的測量會受到限制,與圖表一致.,帶電子設備的塑料機箱附近允許的最高溫度是80°C
** 任意測量值 –溫度,相對濕度, 露點溫度, 絕對濕度, 比濕,混合比率或者比焓都可以分配到每一個傳感器的雙輸通道. 相同值也可以分配到兩個輸出通道上,生產商已經將輸出范圍默認為最大,用戶可通過sp003通信線纜從計算機上調整輸出范圍,用于調整傳感器的免費設置軟件隨 時 可以下載,如果需要不同的輸出范圍和輸出值,請確定需要的輸出值 (RH, T, Tdp, ..)和輸出范圍.
訂購實例: 變送器 T0210,輸出 1:相對濕度 10 to 90%,輸出 2: 溫度 0 to 35°C。

圖示: 濕度探頭工作范圍

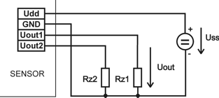
圖示:標準布線應用
每一個電壓輸出通道的最大負載電流是 0,5 mA。
Figure:
T0211P humidity probe for compressed air up to 25 bars
- hard anodized duralumin, stainless steel mesh filter moulded in polycarbonate
包含附件:
生產商的校準證書,說明書,校準證書獲得計量機構認證,符合EN ISO/IEC 17025 標準
校準證書 實例
用于設置傳送器的免費程序 TSensor 隨時下載.
一致性聲明
其它工業用變送器 >
|